詳細內容:一、ZL47F自力式流量控制閥產品概述:
ZL47F自力式流量控制閥亦稱自力式平衡閥、流量調節閥、流量控制器、動態平衡閥、流量平衡閥,ZL47F自力式流量控制閥是一種直觀簡便的流量調節控制裝置,管網中應用自力式流量控制閥可直接根據設計來設定流量,閥門可在水作用下,自動消除管線的剩余壓頭及壓力波動所引起的流量偏差,無論系統壓力怎樣變化均保持設定流量不變,該閥這些功能使管網流量調節一次完成,把調網工作變為簡單的流量分配,有效的解決管網的水力失調。
自力式流量控制閥主要應用于:集中供熱(冷)等水系統中,使管網流量按需分配,消除水系統水力失調,解決冷熱不均問題,可節能、節電15%-20%。

二、ZL47F自力式流量控制閥用途:
自立式流量控制閥,用于需要進行流量控制的水系統中,尤其適用于供熱、空調等非腐蝕性液體介質的流量控制。運行前一次性調節,即可使系統流量自動恒定在要求的設定值。
三、ZL47F自力式流量控制閥工作原理:
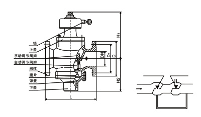
自立式流量控制閥由自動調節閥瓣和手動調節閥瓣兩部分組成。系統流體的工作壓力為P1,手動調節閥瓣的前后壓力分別為P2、P3。當手動調節閥瓣調到基本一位置時,即人為確定了“設定流量”,以及相對應的固定(P2-P3)值。當系統流量增大時,此時自動調節閥瓣自動關小,直到流量重新維持到設定流量,反之亦然。
四、ZL47F自力式流量控制閥特點:
1、能使系統流量自動平衡在要求的設定值;
2、能自動消除水系統中因各種因素引起的水力失調現象,保持用戶所需流量,克服“冷熱不均”,提高供熱,空調的室溫合格率;
3、能有效克服“大流量,小溫差”的不良運行方式,提高系統能效,實現經濟運行;
4、采用數字顯示裝置,直接設定手動調節閥開度確定流量,使用智能儀表一次性調試。
五、ZL47F自力式流量控制閥外形尺寸:
|
DN |
L |
D |
D1 |
n-d |
H1 |
H2 |
|
15 |
110 |
螺紋連接 |
122 |
70 |
|
20 |
110 |
122 |
70 |
|
25 |
115 |
137 |
74 |
|
32 |
160 |
135
|
100 |
4-18 |
182 |
91 |
|
40 |
200 |
145 |
110 |
4-18
|
191 |
147 |
|
50 |
215 |
160 |
125 |
4-18 |
197 |
147 |
|
65 |
230 |
180 |
145 |
4-18 |
205 |
154 |
|
80 |
275 |
195 |
160 |
8-18 |
259 |
181 |
|
100 |
290 |
215 |
180 |
8-18 |
268 |
211 |
|
125 |
310 |
245 |
210 |
8-18 |
334 |
227 |
|
150 |
350 |
280 |
240 |
8-22 |
357 |
260 |
|
200 |
430 |
335 |
295 |
12-22 |
407 |
303 |
|
250 |
520 |
405 |
355 |
12-26 |
452 |
367 |
|
300 |
635 |
460 |
410 |
12-26 |
486 |
430 |
|
350 |
670 |
520 |
470 |
16-26 |
555 |
495 |
六、ZL47F自力式流量控制閥應用
