詳細內容:一.GT型閥門氣動執行器設計簡單緊湊,風格獨特,全密封,內部氣路,經濟和無須連接管線外露而受損。采用ISO5211連接標準為安裝電磁閥、信號回訊器、閥門定位器或其它附件都極其方便。設計上都考慮到安全操作,便于維修,容易拆卸和組裝。它將輸入的氣壓信號轉換成90度,再以扭轉矩形形式輸出的執行機構。該系列氣動執行器是一種外型小、性能高的的執行結構,分為雙氣控型和單氣控型兩種,與角行程型控制閥組合可用于調節和開關的場合,也可用于其他回轉運動的場合。
二.雙作用氣動執行器型號選擇
使用雙作用執行器,先確定閥門的扭矩,在正常使用條件下,推薦安全系數為15~20%。再根據閥門使用的流體介質增加安全值。對清潔、潤滑介質增加20%安全值;水蒸氣或非潤滑液體介質增加25%安全值;對非潤滑的漿料液體介質增加40%安全值;非潤滑的干氣介質增加60%安全值;非潤滑的顆粒介質增加80%安全值。非潤滑用氣體輸送的顆粒粉料介質增加100%安全值;根據計算的扭矩值及使用氣源壓力查找雙作用執行器的扭矩表,就可得到準確GTD型號。
三.單作用氣動執行器型號選擇
使用單作用執行器,根據計算的扭矩值及使用氣源壓力,查找單作用扭矩表,先查得彈簧復位終點,再查氣源工作壓力終點,氣源壓力扭矩應該大于彈簧復位扭矩,可得到準確的GTE型號。 說明:GTE單氣控型輸出扭矩表中,彈簧復位“終點”扭矩即為關閉閥門的扭矩,彈簧復位“開始”扭矩即為打開閥門時的扭矩。相對應的氣源壓力開始的扭矩即關閉閥門狀態的扭矩,氣源壓力終點扭矩即為打開閥門的扭矩。
四.GT氣動執行器 結構特點
(1)、擠壓成型的鋁合金缸體,經硬質氧化處理,表面質地堅硬,耐磨性強。
(2)、緊湊的雙活塞齒輪、齒條式結構,嚙合精確,傳動平穩,安裝位置對稱,輸出扭矩恒定。
(3)、活塞、齒條和輸出軸的活動部位均安裝F4導向環,實現低摩擦,長壽命,避免金屬間的接觸。
(4)、缸體、端蓋、輸出軸、彈簧、緊固件等均經防腐處理。
(5)、單氣控型執行器的彈簧經預壓后安裝,可安全、方便的拆卸和組裝。
(6)、氣動執行器在全開和全關位置均可進行0度或90度正負5度的雙向行程調節。
(7)、安裝連接尺寸符合ISO5211、DIN3337和VD1/VDE3845以及NUMAR標準,確保GTD32氣動執行器間的互換性和方便安裝電磁閥、限位開關等附件。
(8)、輸出軸的安裝連接孔有多種形狀(四方孔、軸鍵孔、扁孔)供選擇
(9)、外形美觀而精巧,重量輕,具有防水密封結構。
(10)、有常溫型、高溫型、低溫型。在常溫工作條件下使用丁腈橡膠,在高溫或低溫時采用氟橡膠或硅橡膠
五.GT氣動執行器 解剖圖及部件材質說明

|
序號 |
名稱 |
數量 |
序號 |
名稱 |
數量 |
序號 |
名稱 |
數量 |
|
1 |
殼體 |
1 |
8 |
軸中墊圈 |
2 |
15 |
端蓋密封圈 |
2 |
|
2 |
活塞 |
2 |
9 |
上軸承 |
1 |
16 |
活塞向導環 |
2 |
|
3 |
旋轉軸 |
1 |
10 |
軸上平墊圈 |
1 |
17 |
活塞軸瓦 |
2 |
|
4 |
端蓋 |
2 |
11 |
軸下o型圈 |
1 |
18 |
端蓋平墊圈 |
2 |
|
5 |
彈簧/彈簧座 |
8-12 |
12 |
軸上o型圈 |
1 |
19 |
調節螺栓 |
2 |
|
6 |
下軸承 |
1 |
13 |
螺栓密封o型圈 |
1 |
20 |
六角螺母 |
2 |
|
7 |
彈性擋圈 |
1 |
14 |
活塞o型圈 |
1 |
21 |
內六角螺栓 |
8 |
六.GT氣動執行器 工作原理

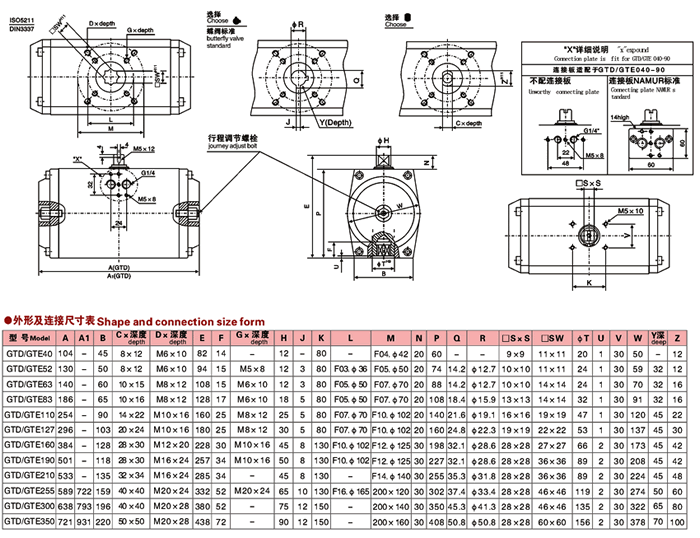
七.GT氣動執行器 安裝尺寸

八.GT氣動執行器 技術參數
|
工作介質 |
干燥、清潔不含腐蝕性氣體 |
|
工作氣源壓力 |
雙作用式:2-8bar |
|
單作用式:4-8bar |
|
工作溫度 |
常溫型:-20°C~+80°C (丁腈橡膠O型圈) |
|
高溫型:-20°C~+160°C(氟橡膠O型圈) |
|
低溫型:-40°C~+80°C(硅橡膠O型圈) |
|
回轉角度 |
標準型:90°±5° 非標準型0-180° |
|
輸出扭矩 |
雙作用型:4~10560N.m 單作用型:6.9~2688N.m |
|
接口螺紋 |
GT52-GT83 G1/2" GT110-GT350 G1/4" |
九.GT氣動執行器 安裝及維護
1、GT型閥門氣動執行器可與閥門直接連接,也可以通過支架和接頭與閥門安裝連接。
2、安裝時必須保證氣動執行器的輸出軸與閥門軸的同度軸。
3、管接頭及導管內部應清洗干凈。
4、電磁閥、電氣定位器、電磁轉換器、氣源三聯件、回信器等應按說明書進去安裝和調試。
5、GT型閥門氣動執行器雙端的調節螺栓,可以微量調節閥門的開啟角度,調整后必須將螺母擰緊。
6、GT型閥門氣動執行器和閥門應同時調試,對閥門加壓到額定壓力,氣動執行器通氣,觀察閥門開關情況,應轉動靈活。
7、安裝GT型閥門氣動執行器,調試時應先用手動按鈕操作(紅色按鈕)調試,然后在通電調試、
8、氣源要保持干燥、清潔,定期對于執行器配套使用的空氣過濾器放水及排污