詳細內容:
一、QV947H電動V型硬密封調節球閥 概述
電動V型硬密封調節由電子式電動執行機構與硬密封V型球閥通過機械連接組合而成。其是工業化過程中的一種 管道原件,通常用于管道介質的遠程開、關、調節(接通、切斷、調節介質)控制。電動V型硬密封調節球閥采用一體化結構,以單相電源AC220V和直流電源24VDC即可控制運轉。具有體積小、輕便、性能可靠、配套簡單、流通能力大等優點。適用于管道壓差大,密封要求嚴格的開關和切斷以及調節管道介質的工藝場合和流體控制系統空氣、蒸汽、水、氣體、石油和石化產品、腐蝕性介質。廣泛用于石油、化工、冶金、輕工、造紙、電站、制冷等工作領域。
二、QV947H電動V型硬密封調節球閥特點
1. 流體阻力小,其阻力系數與同長度的管段相等。
2. 結構簡單、體積小、重量輕。
3. 緊密可靠,目前球閥的密封面材料廣泛使用塑料、密封性好,在真空系統中也已廣泛使用。
4. 操作方便,開閉迅速,從全開到全關只要旋轉90°,便于遠距離的控制。
5. 維修方便,氣動球閥結構簡單,密封圈一般都是活動的,拆卸更換都比較方便。
6. 在全開或全閉時,球體和閥座的密封面與介質隔離,介質通過時,不會引起閥門密封面的侵蝕。
7. 適用范圍廣,通徑從小到幾毫米,大到幾米,從高真空至高壓力都可應用。
|
三、QV947H電動V型硬密封調節球閥 閥門規格參數
|
公稱通徑DN(mm) |
25-400 |
|
公稱壓力PN(Mpa) |
1.6-6.4 |
|
公稱壓力Ps(Mpa) |
強度試驗 |
2.4-9.6 |
|
密封試驗 |
1.76-7.0 |
|
材料/代號 |
C |
P |
R |
|
主要零件 |
閥體 |
WCB |
ZG1Cr18Ni9Ti |
ZGOCr18Ni12Mo2Ti |
|
球桿 |
2Cr13 |
ZG1Cr18Ni9Ti |
ZGOCr18Ni12Mo2Ti |
|
閥桿 |
2Cr13 |
1Cr18Ni9Ti |
0Cr18Ni12Mo2Ti |
|
密封圈 |
聚四氟乙烯 不銹鋼 硬質合金 |
|
填料 |
聚四氟乙烯 柔性石墨 |
|
適用工況 |
適用介質 |
水 蒸汽 油品 |
硝酸類 |
醋酸類 |
|
適用溫度 |
-28—400° |
-28—500° |
|
連接方式 |
對夾式 法蘭式 法蘭按JB79-59標準 |
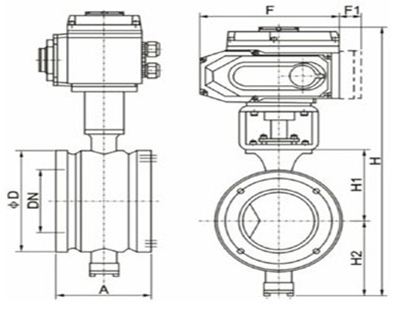
四、QV947H電動V型硬密封調節球閥閥門外形及連接尺寸(單位:mm)

|
公稱通徑DN |
尺寸(mm) |
|
A |
ΦD |
H1 |
H2 |
H |
F |
F1 |
|
15 |
62 |
Φ64 |
74 |
75 |
390 |
161 |
40 |
|
20 |
62 |
Φ64 |
74 |
75 |
390 |
161 |
40 |
|
25 |
62 |
Φ64 |
74 |
75 |
390 |
161 |
40 |
|
32 |
62 |
Φ78 |
80 |
75 |
400 |
188 |
40 |
|
40 |
62 |
Φ82 |
85 |
75 |
405 |
188 |
40 |
|
50 |
75 |
Φ100 |
87 |
95 |
430 |
188 |
40 |
|
65 |
80 |
Φ120 |
105 |
115 |
460 |
188 |
40 |
|
80 |
100 |
Φ131 |
115 |
125 |
520 |
268 |
40 |
|
100 |
115 |
Φ158 |
125 |
125 |
530 |
268 |
40 |
|
125 |
130 |
Φ180 |
140 |
155 |
570 |
268 |
40 |
|
150 |
160 |
Φ216 |
153 |
165 |
600 |
268 |
40 |
|
200 |
200 |
Φ268 |
200 |
195 |
680 |
268 |
40 |
|
250 |
240 |
Φ325 |
225 |
225 |
730 |
268 |
40 |
注:以上選配參數僅供參考.具體以實際情況為準 |
|
|
|