詳細內容:YQ9800過濾活塞式減壓閥概述:
YQ9800過濾活塞式減壓閥,是一種利用介質自身能量來調節與控制管路壓力的智能型閥門。當閥門從進口端給水時,水流過針閥進入主閥控制室,出口壓力通過導管作用到導閥上。當出口壓力高于導閥彈簧設定值時,導閥關閉。控制室停止排水,此時主閥控制室內壓力升高并關閉主閥,出口壓力不再升高。當閥門出口壓力降到導閥彈簧設定壓力時,導閥開啟,控制室向下游排水。由于導閥系統排水量大于針閥的進水量,主閥控制室壓力下降。進口壓力使主閥開啟。在穩定狀態下,控制室進水、排水相同,主閥開度不變,出口壓力穩定。出口壓力不因進口壓力變化而改變,亦不因主閥出口流量的變化而改變,安全可靠地將出口壓力維持在設定值上。過濾活塞式減壓閥減壓精確,性能穩定、安全可靠、安裝調節方便,使用壽命長。過濾活塞式減壓閥可用于生活給水、消防系統及工業給水系統。

YQ9800過濾活塞式減壓閥零部件材料如下表:
|
零件名稱 |
材質 |
|
閥體、閥蓋 |
鑄鐵、鑄鋼 |
|
閥座 |
錫青銅、不銹鋼 |
|
閥瓣 |
碳鋼、不銹鋼+丁腈橡膠 |
|
閥桿 |
鋁青鋼、鉻不銹鋼 |
|
活塞 |
鉻不銹鋼+丁腈橡膠 |
|
過濾網 |
不銹鋼 |
|
彈簧 |
不銹鋼 |

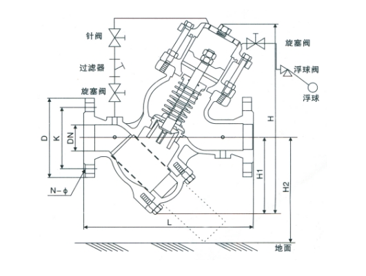
YQ9800過濾活塞式減壓閥主要連接外型尺寸:
|
公稱通徑
DN |
尺寸(公稱壓力PN=1.6Mpa) |
|
L |
H |
D |
K |
N-¢ |
H1 |
H2 |
|
40 |
270 |
400 |
150 |
110 |
¢18*4 |
155 |
236 |
|
50 |
270 |
400 |
160 |
125 |
¢18*4 |
155 |
236 |
|
65 |
290 |
410 |
185 |
145 |
¢18*4 |
165 |
250 |
|
80 |
360 |
425 |
200 |
160 |
¢18*8 |
180 |
280 |
|
100 |
400 |
460 |
220 |
180 |
¢18*8 |
210 |
310 |
|
125 |
470 |
550 |
250 |
210 |
¢18*8 |
240 |
370 |
|
150 |
535 |
610 |
285 |
240 |
¢23*8 |
260 |
413 |
|
200 |
670 |
772 |
340 |
295 |
¢23*12 |
330 |
510 |
|
250 |
780 |
935 |
405 |
355 |
¢27*12 |
410 |
568 |
|
300 |
895 |
1000 |
460 |
410 |
¢27*12 |
485 |
1075 |
|
350 |
1000 |
920 |
520 |
470 |
¢27*12 |
260 |
不帶過濾器 |
|
400 |
1120 |
1145 |
580 |
525 |
¢30*12 |
290 |
不帶過濾器 |
YQ9800過濾活塞式減壓閥訂貨須知:
1、①過濾活塞式可調減壓閥產品名稱與型號②過濾活塞式可調減壓閥口徑③過濾活塞式可調減壓閥是否帶附件以便我們的為您正確選型。
2、若已經由設計單位選定超卓閥門公司過濾活塞式可調減壓閥型號,請按過濾活塞式可調減壓閥型號直接向我司銷售部訂購。
3、當使用的場合非常重要或環境比較復雜時,請您盡量提供設計圖紙和詳細參數,由我們的超卓閥門公司專家為您審核把關。