詳細內容:D241W電液動蝶閥用途
D241W電液動蝶閥是一種適用性很強的新型產品,廣泛用于建材、冶金、礦山、化工、電力等工業生產過程中,能遠程控制或現場控制管道中介質的流量。
D241W電液動蝶閥特點
動力源電液推桿其特點是:動作靈敏,運行平穩,能有效緩沖外來的沖擊力,行程控制準確,可以帶負荷啟動,且具有超負荷保護能力。由于電液動蝶閥采用機、電、液一體化全封閉結構,工作油路循球于無壓的封閉鋼筒里,體積小,不漏油,便于安裝,維修。在惡劣的工作環境下,不吸塵,不進水,內部不銹蝕,使用壽命長,不需要任何附屬設備,在推力和速度相同的情況下消耗的電能僅有電動推桿的一半。
D241W電液動蝶閥工作原理
D241W電液動蝶閥以電液推桿作動力源,通過雙向齒輪泵輪出壓力油,經油路集成塊的控制送至油缸,實現活塞桿往復運動,同時通過曲柄轉動閥軸、閥板作90°范圍旋轉,達到調節流量的目的。
D241W電液動蝶閥技術參數表
|
工作溫度(℃) |
常溫型-15~250 |
|
閥板
閥體 |
碳鋼、不銹鋼 |
|
中溫型-40~450 |
碳鋼、不銹鋼 |
|
閥板轉角(°) |
90 |
軸 |
2Cr13、45# |
|
公稱壓力(Mpa) |
0.6 |
填料 |
聚四氟乙烯(-15~450℃) |
|
泄漏率 |
≤1.5% |
柔性石墨(-40~450℃) |
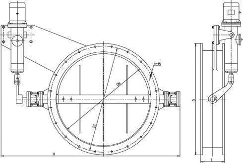
D241W電液動蝶閥外形及安裝尺寸:

D241W電液動蝶閥主要外形連接尺寸表
|
DN |
D |
D1 |
D2 |
N-Φ。 |
L |
L1 |
L2 |
b |
B |
T |
Φ |
|
50 |
|
110 |
90 |
4-Φ14 |
75 |
349 |
549 |
|
100 |
75 |
250 |
|
80 |
150 |
125 |
4-Φ18 |
90 |
364 |
579 |
|
100 |
170 |
145 |
100 |
374 |
599 |
|
125 |
200 |
175 |
8-Φ18 |
123 |
423 |
671 |
20 |
|
150 |
260 |
225 |
200 |
138 |
433 |
696 |
200 |
|
175 |
290 |
255 |
230 |
158 |
448 |
731 |
22 |
|
200 |
315 |
280 |
255 |
168 |
565 |
733 |
85 |
320 |
|
250 |
370 |
335 |
310 |
12-Φ18 |
193 |
590 |
783 |
? |
|
300 |
435 |
395 |
362 |
12-Φ23 |
228 |
620 |
848 |
|
350 |
485 |
445 |
412 |
253 |
645 |
898 |
26 |
|
400 |
535 |
495 |
642 |
16-Φ23 |
293 |
685 |
978 |
28 |
300 |
|
450 |
590 |
550 |
518 |
320 |
710 |
1030 |
|
500 |
460 |
600 |
568 |
345 |
735 |
1080 |
30 |
|
600 |
755 |
705 |
670 |
20-Φ25 |
550 |
830 |
1580 |
100 |
400 |
|
700 |
860 |
810 |
775 |
24-Φ25 |
600 |
880 |
1680 |
32 |
|
800 |
975 |
920 |
880 |
24-Φ30 |
655 |
930 |
1785 |
34 |
400 |
|
900 |
1075 |
1020 |
980 |
272 |
994 |
1921 |
36 |
|
1000 |
1175 |
1120 |
1080 |
28-Φ30 |
775 |
1044 |
2019 |
|
1200 |
1400 |
1340 |
1295 |
32-Φ34 |
860 |
1124 |
2130 |
4840 |
120 |
480 |
|
1400 |
1620 |
1560 |
1510 |
36-Φ34 |
945 |
1204 |
2250 |
44 |
|
1600 |
1820 |
1760 |
1710 |
40-Φ34 |
1030 |
1290 |
2380 |
48 |
|
1800 |
2045 |
1970 |
2110 |
44-Φ41 |
1115 |
1375 |
2495 |
50 |
|
2000 |
2265 |
2180 |
|
48-Φ48 |
1200 |
1455 |
2620 |
54 |
D241W電液動蝶閥訂貨須知
訂貨時請填寫《規格書》或注明以下內容:
一、若訂貨前還未選定型號,請向我們提供您的使用參數:1.公稱通徑、額定流量系數KV,
2.流體性質(包括公稱壓力、溫度、粘度或酸堿性),3.閥作用形式(電-關式或電-開式),4.流量特性,
5.閥前、閥后壓力,6.閥體、閥芯材料,7.輸入信號,8.是否帶附件,說明附件型號。以便我們的為您正確選型。
二、若已經由設計單位選定我公司的產品型號,請按型號直接向我司銷售部訂購;
三、當使用的場合非常重要或管路比較復雜時,請您盡量提供設計圖紙和詳細參數,由我們的專家為您審核把關。
感謝您光顧我們公司,如需了解更多請登錄www.lanrenadmin.com