詳細內容:
爐頂放散閥產品說明:
型號:FS46HL-1.5
規格:DN200-600
公稱壓力:0.15MPa
適用溫度:≤300℃
適用介質:煤氣、煙氣及其它氣體
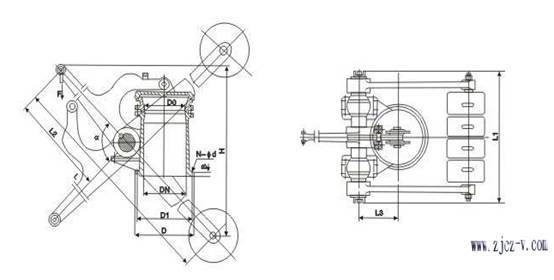
結構功能:爐頂放散閥由閥座、閥蓋、下殼、中殼、拉桿等零件組成。它是卷揚式啟閉機控制杠桿系統拉動閥蓋實現閥門的啟閉,本閥具有結構簡單、啟閉靈活、密封性能好、操作方便、工作安全可靠等特點,爐頂放散閥主要用于在高爐休風時將爐中的煤氣排放到大氣中,以保證高爐系統的安全。
爐頂放散閥主要外形尺寸、連接尺寸及質量 單位:mm
|
公稱通徑
DN(mm) |
公稱壓力
PN(MPa) |
L |
D |
D1 |
D2 |
b |
H |
|
200 |
0.1 |
225 |
375 |
320 |
284 |
20 |
865 |
|
250 |
0.1 |
225 |
425 |
370 |
330 |
20 |
890 |
|
300 |
0.1 |
245 |
485 |
430 |
389 |
22 |
1020 |
|
250 |
0.1 |
265 |
555 |
490 |
448 |
22 |
1100 |
|
400 |
0.1 |
265 |
620 |
555 |
503 |
24 |
1225 |
|
450 |
0.1 |
285 |
645 |
600 |
570 |
24 |
1265 |
|
480 |
0.1 |
285 |
735 |
685 |
650 |
24 |
1320 |
|
500 |
0.1 |
285 |
755 |
705 |
670 |
26 |
1330 |
|
550 |
0.1 |
285 |
805 |
755 |
720 |
26 |
1360 |
|
600 |
0.1 |
285 |
850 |
795 |
745 |
28 |
1385 |
|
610 |
0.1 |
285 |
860 |
810 |
772 |
28 |
1395 |
|
650 |
0.1 |
285 |
910 |
830 |
794 |
28 |
1410 |
|
675 |
0.1 |
300 |
935 |
855 |
789 |
28 |
1425 |
|
700 |
0.1 |
300 |
980 |
890 |
845 |
30 |
1495 |
|
800 |
0.1 |
300 |
1075 |
985 |
940 |
30 |
1541 |
|
900 |
0.1 |
300 |
1190 |
1125 |
1070 |
30 |
1718 |
|
1000 |
0.1 |
410 |
1320 |
1210 |
1140 |
32 |
1650 |
|
1200 |
0.1 |
470 |
1530 |
1420 |
1350 |
36 |
1795 |
|
1250 |
0.1 |
470 |
1590 |
1475 |
1410 |
36 |
1800 |
爐頂放散閥結構圖

爐頂放散閥訂貨須知
訂貨時請填寫《規格書》或注明以下內容:
一、若訂貨前還未選定型號,請向我們提供您的使用參數:1.公稱通徑、額定流量系數KV,
2.流體性質(包括公稱壓力、溫度、粘度或酸堿性),3.閥作用形式(電-關式或電-開式),4.流量特性,
5.閥前、閥后壓力,6.閥體、閥芯材料,7.輸入信號,8.是否帶附件,說明附件型號。以便我們的為您正確選型。
二、若已經由設計單位選定我公司的產品型號,請按型號直接向我司銷售部訂購;
三、當使用的場合非常重要或管路比較復雜時,請您盡量提供設計圖紙和詳細參數,由我們的專家為您審核把關。
感謝您光顧我們公司,如需了解更多請登錄www.lanrenadmin.com