詳細內容:自動煤氣水封逆止閥
自動煤氣水封逆止閥,屬各種冶煉電爐尾氣回收處理控制裝置領域,它由溢流管、閥體、水封罩、閥軸、排污管、進水管、驅動裝置及平衡重錘等組成,它是采用水封罩里的水將進氣口和出氣口分開,使水封高度所產生的壓力等于進氣口氣的壓力,而達到完全隔離氣源,解決了現有水封閥門隔離氣源不徹底,閥門開啟、關閉時力矩大,速度慢的問題。廣泛適用于煤氣、廢氣、有毒氣體等回收管道系統中使用,廣泛適用于冶煉電爐在冶煉過程中,對有毒氣體的尾氣進行回收的各系統。
一、自動煤氣水封逆止閥用途
自動煤氣水封逆止閥消化吸收國外先進技術基礎上,自行研制開發的新一代產品,適用于轉爐煙氣凈化與煤氣回收系統中,作為與氣動三通煤氣切換閥連鎖的關鍵設備,安裝于三通煤氣切換閥之后煤氣柜之前,以防止三通煤氣切換閥關閉不嚴時煤氣經三通閥倒流入風機。
二、自動煤氣水封逆止閥 閥門主要性能參數
公稱通徑:800-1800
公稱壓力 :0.01 Mpa
殼體試驗壓力: 0.015
密封試驗壓力: 0.007
煤氣柜工作壓力 :≤0.003,≤0.005
適用溫度 :≤120 ℃
啟閉時間 :≤15S(或按用戶要求定) S
適用介質 轉爐煤氣等
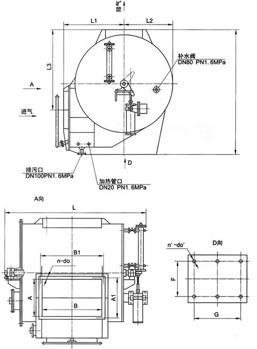
三、自動煤氣水封逆止閥結構特點
1、 自動煤氣水封逆止閥主要由閥體、回轉蓋、閥軸、氣動裝置及注水裝置、溢流裝置、水位控制裝置、加熱與保溫裝置等組成。
2、采用全封閉外殼,操作時介質不向外泄漏,避免環境污染。
3、在全開位置時,介質通過閥門時的流阻接近為零,在閥門處于關閥位置時,靠水封實現煤氣的自動逆止和可靠隔斷。
4、具有自動補水功能,使水位始終保持在高、低水位之間,且具有高、低、極限低水位狀態顯示及極限低水位報警裝置。
5、 能實現遠傳和就地控制,并可以實現計算機接口。
6、 在轉爐煙氣凈化與煤氣回收系統中,與氣動三通煤氣切換閥和氣動旁通煤氣切斷閥共用一套控制柜,實現系統聯鎖自動運行。
四、自動煤氣水封逆止閥主要零件材料
零件名稱 閥體、回轉蓋、浸沒管 閥軸 填料
材料 碳鋼 不銹鋼 特種橡膠
