請輸入產品關鍵字:
銷售熱線:86-0577-57993331
86-0577-57993332
86-0577-57993338
圖文傳真:86-0577-57993339
地址:永嘉縣甌北鎮東方工業區
|
|
| BQ641F氣動保溫球閥 |
 |
| 詳細內容: 一、BQ641F氣動保溫球閥概述:
BQ641F氣動保溫球閥具有良好的保溫保冷特性,且閥門的通徑與管徑一致,同時又能有效降低管路中介質熱量損失。主要用于石油、化工、冶金、制藥、食品等各類系統中,以輸送常溫下會凝固的高粘度介質。
由于采用整體式結構,因而保溫球閥比一般球閥何種更小,重量更輕,且無外漏,密封性能良好,夾套采用碳素鋼管焊接比鑄造的更加耐壓牢固。
二、BQ641F氣動保溫球閥技術規范:
|
設計標準 |
ASME B 16.34 GB/T12224 |
|
結構長度 |
ASME B 16.10 GB/T12221 |
|
連接法蘭 |
ASME B 16.5、JB/T 79 |
|
驅動方式 |
手動、電動、氣動 |
|
試驗和檢驗 |
JB/T9092 API 598 |
|
適用介質 |
重油、膠類等易凝固介質 |

三、BQ641F氣動保溫球閥主要零件材料:
|
序號 |
零件名稱 |
材質 |
|
C |
P |
R |
|
1 |
夾套 |
25 |
SUS304 |
SUS304 |
|
2 |
閥座 |
WCB |
SUS304 |
SUS316 |
|
3 |
閥體 |
25 |
SUS304 |
SUS316 |
|
4 |
密封圈 |
RPTFE、PTFE、對位聚苯 |
|
5 |
球體 |
SUS304 |
SUS304 |
SUS316 |
|
6 |
閥桿 |
1Cr13 |
SUS304 |
SUS316 |
|
7 |
填料 |
柔性石墨 、RPTFE、PTFE |
|
8 |
填料壓蓋 |
WCB |
SUS304 |
SUS316 |
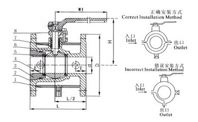
四、BQ641F氣動保溫球閥主要外形尺寸:
|
公稱通徑(DN) |
d |
L |
D |
E |
Q |
H |
W |
管螺紋 |
|
(mm) |
(in) |
(mm) |
(in) |
P |
|
20 |
3/4" |
19 |
117 |
40 |
1 1/2" |
58.5 |
147 |
101 |
170 |
G3/4" |
|
25 |
1" |
25 |
127 |
50 |
2" |
62.5 |
156 |
106 |
170 |
G3/4" |
|
40 |
1 1/2" |
38 |
165 |
65 |
2 1/2" |
63.5 |
181 |
125 |
250 |
G3/4" |
|
50 |
2" |
51 |
178 |
80 |
3" |
68 |
218 |
135 |
250 |
G3/4" |
|
80 |
3" |
76 |
229 |
150 |
6" |
82 |
275 |
193 |
350 |
G3/4" |
|
100 |
4" |
102 |
254 |
200 |
8" |
83 |
300 |
265 |
420 |
G3/4" |
|
150 |
6" |
152 |
292 |
250 |
10" |
95 |
403 |
355 |
1000 |
G3/4" |
|
200 |
8" |
203 |
330 |
300 |
12" |
100 |
495 |
410 |
1300 |
G3 | |
|
|
|
|