詳細內容:產品[ZDPS型電子式角型調節閥]的詳細資料:
產品型號:ZDPS型
產品名稱:電子式角型調節閥
產品特點:ZDPS型電子式角型調節閥,配用德國進口PS系列直行程電動執行機構,實現對壓力、流量、溫度、液位等參數的調節。具有體積小、重量輕、泄漏量少、流路簡單、阻力小,使用于高壓差、高粘度、含有懸浮物和顆粒狀物質液體的調節,可以避免結焦,堵塞,也便于自潔和水清洗,角型閥一般使用于底進側出的場合,因為這樣可使調節有較好的穩定性。電子式電動角型調節閥,電動角型調節閥,電子式調節閥。
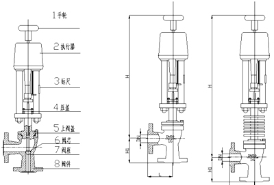
ZDPS型電子式角型調節閥閥體:
形式:角型單座鑄造閥
公稱通徑:20-300mm
公稱形式:PN1.6 4.0 6.4Mpa
連接形式:法蘭式按JB78-59 JB79-59
材料:HT200 ZG230—450 ZG1Cr18Ni9Ti ZG0Cr18Ni12Mo2Ti

ZDPS型電子式角型調節閥執行機構:
類型:可選PS、3810、ZAZ型(DN100以內)、DKZ型(DN100以上)系列電子式直行程執行機構。
防爆型選用3810系列技術參數和性能:請參閱對應的執行機構與閥門定位器說明書。
ZDPS型電子式角型調節閥上閥蓋:
常 溫 型:-20℃-+200℃
散 熱 型:-40℃-+450℃
壓蓋形式:螺栓壓緊式
填 料:V型聚四氟乙烯填料、柔性石墨、不銹鋼波紋管
ZDPS型電子式角型調節閥閥內組織:
閥芯形式:上導向單座柱塞式閥芯
流量特性:等百分比特性,直線特性和快開特性
材 料:1Cr18Ni9Ti 0Cr18Ni12M02Ti

ZDPS型電子式角型調節閥規格參數表:
|
公稱通徑DN |
20 |
25 |
32 |
40 |
50 |
65 |
80 |
100 |
125 |
150 |
200 |
250 |
300 |
|
閥座直徑dn(mm) |
20 |
25 |
32 |
40 |
50 |
65 |
80 |
100 |
125 |
150 |
200 |
250 |
300 |
|
額定流量系數Kv |
6.5 |
10 |
16 |
25 |
40 |
63 |
100 |
160 |
250 |
400 |
630 |
|
|
|
行程mm |
10 |
16 |
25 |
40 |
60 |
100 |
100 |
|
允許壓差ΔMPa |
6.1 |
3.8 |
2.3 |
1.4 |
1.0 |
2.3 |
1.6 |
1.0 |
0.8 |
0.6 |
0.4 |
|
|
|
基本誤差% |
±2.5 |
|
回差% |
2.5 |
|
死區% |
1.0 |
|
始終點偏差% |
±2.5 |
|
額定行程偏差% |
2.5 |
|
允許泄漏量Q |
Kv值的0.1% |
|
可調范圍 |
30:1 |
|
配電動執行器型號 |
PSL |
PSL201 |
PSL202 |
PSL204 |
PSL208 |
PSL312 |
PSL320 |
|
3810L |
SA-08 |
381LSA-30 |
381LSB-30 |
381LSB-50 |
381LSC-65 |
381LSC-160 |
|
公稱壓力
介質溫度閥
體材料 |
1.6MPa |
常溫-20℃~+200℃ 鑄鐵HT200 |
|
4.0MPa |
常溫-20℃~+200℃ 鑄鋼ZG25 鑄不銹鋼ZG1Cr18Ni9Ti |
|
中溫-40℃~+450℃ 鑄鋼ZG25 鑄不銹鋼ZG1Cr18Ni9Ti |
|
6.4MPa |
常溫-20℃~+200℃ 鑄鋼ZG25 鑄不銹鋼ZG1Cr18Ni9Ti |
|
中溫-40℃~+450℃ 鑄鋼ZG25 鑄不銹鋼ZG1Cr18Ni9Ti |
ZDPS型電子式角型調節閥主要零件材料及推薦使用溫度范圍:
|
閥體材料 |
公稱 壓力 MPa |
介質工作溫度℃ |
|
〈 |
〈 |
〈 |
〈 |
〈 |
〈 |
〈 |
〈 |
〈 |
〈 |
〈 |
〈 |
〈 |
〈 |
|
120 |
200 |
250 |
300 |
350 |
400 |
425 |
450 |
475 |
500 |
525 |
550 |
575 |
600 |
|
最大工作壓力MPa |
|
鑄鐵HT200 |
1.6 |
1.6 |
1.5 |
|
|
|
|
|
|
|
|
|
|
|
|
|
鑄鋼ZG25 |
4.0
6.4 |
|
4.0
6.4 |
3.7
5.9 |
3.3
5.2 |
3.0
4.7 |
2.8
4.1 |
2.3
3.7 |
1.8
2.9 |
|
|
|
|
|
|
|
鑄不銹鋼ZG1Cr18Ni9Ti |
4.0
6.4 |
|
|
|
|
4.0
6.4 |
3.0
4.4 |
2.7
4.2 |
2.4
4.0 |
2.1
3.8 |
1.9
3.5 |
1.7
3.4 |
1.4
3.2 |
1.1
2.9 |
0.8
2.6 |
ZDPS型電子式角型調節閥型號編制說明:
|
Z |
D |
S |
JP |
16 |
C |
G |
|
自控閥門 |
執行機構類型 |
位移特征: |
閥門結構形式: |
公稱壓力: |
閥體材質: |
溫度類型: |
|
|
D:表示PS系列 |
S:表示直行程 |
J:表示角形閥 |
16:表示1.6MPa |
C:表示碳鋼 |
G:表示中溫型常溫省略 |
|
|
R:表示3810系列 |
|
P:表示單座 |
40:表示4.0MPa |
P:表示不銹鋼鑄鐵省略 |
|
|
H:表示DKZ系列 |
|
|
64:表示6.4MPa |
|
|
|
C:表示ZAZ系列 |
|
|
|
|
|
ZDPS型電子式角型調節閥安裝尺寸和重量:
|
公稱通徑DN(mm) |
L(mm) |
H1mm |
H(mm) |
Rmm |
重量(kg) |
|
PN(MPa) |
常溫 |
中溫 |
PN1.6 MPa |
|
1.6 |
|
20 |
100 |
100 |
740 |
870 |
176 |
15.5 |
|
25 |
115 |
115 |
740 |
870 |
176 |
25 |
|
32 |
130 |
130 |
785 |
915 |
176 |
27.5 |
|
40 |
130 |
130 |
770 |
900 |
176 |
28.5 |
|
50 |
150 |
150 |
785 |
920 |
176 |
32.5 |
|
65 |
170 |
170 |
915 |
1080 |
225 |
59 |
|
80 |
190 |
190 |
975 |
1140 |
225 |
59 |
|
100 |
215 |
215 |
1035 |
1200 |
225 |
87 |
|
125 |
250 |
250 |
1145 |
1285 |
225 |
133 |
|
150 |
275 |
275 |
1200 |
1340 |
225 |
171 |
|
200 |
325 |
325 |
1255 |
1400 |
225 |
269 |
電動調節閥的相關產品: