詳細內容:ZSHW氣動高性能蝶閥產品說明
三偏心結構:閥桿軸線與蝶板密封面間偏置一個尺寸A,并與閥體通道軸線偏置一個尺寸B,閥座回轉軸線與閥體通道軸線形成一個偏心角α,故形成三偏心。蝶閥從0°~90°開啟時,蝶板密封面會在開啟的瞬間立即脫離閥座密封面,在其90°~0°關閉時,只有在關閉的瞬間,其蝶板圓錐形密封面才會接觸并壓緊閥座圓錐形密封。所以閥座與蝶板上的密封面之間無任何摩擦,去除了磨損和泄漏的可能性。
扭矩密封:三偏心的結構使蝶閥關閉時,其密封副兩密封面之間的密封比壓由外加于閥桿的驅動力矩產生。不僅消除了常規彈性閥座彈性材料老化、冷流、彈性失效等因素造成的密封比壓降低和消失,而且可以通過外加驅動力矩的改變,實現對其密封比壓的任意調整,從而使三偏心蝶閥的密封性能改善,蝶閥的使用壽命也大大提高。
軟硬層疊式金屬密封結構:蝶板密封圈采用軟硬層疊式不銹鋼片和柔性石墨板的密封面,使其具有金屬硬密封和彈性密封的雙重優點,無論在低溫和高溫工況下均具有優良的密封性能。
雙向密封:因密封面錐角小于密封材料的磨擦角,蝶板關到密封位置時立即實現自鎖,并能承受一定的反向壓力沖擊。
防火結構:全金屬結構本身具有火災安全的特性。
閥體密封面:采用堆焊硬質合金或不銹鋼,使得密封面強度高、硬度好、耐磨損,可連續啟閉60000次以上而無損傷。
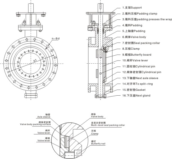
密封圈:密封圈由壓板夾在蝶板上,易于安裝、調節和更換。
閥桿的上、下部位裝有軸套,防止磨損和粘連,提高了使用壽命。
該產品操作靈活、省力、方便、可靠,連接方式有法蘭、對夾、對焊、凸耳對夾。既可截斷介質,也可任意調節介質流量。

|
ZSHW氣動高性能蝶閥密封副原理 |
|
|
蝶板的回轉中心(即閥桿的中心)與蝶板密封截面偏置一個尺寸α,并與閥體通道軸線偏置一個尺寸β,閥座回轉軸線與閥體通道軸線形成一 |

由于在雙偏心密封蝶閥的基礎上,將閥座回轉軸線與閥體通道軸線形成一個δ角。其偏心結果由圖B的A-A剖視圖可見,當三偏心密封蝶閥完全處于開啟狀態時,其蝶板密封面會完全脫離閥座密封面并在蝶板密封面與閥體密封面之間形成一個間隙γ。由圖C可見,由于δ角偏置的形成會使長、短半徑轉動的蝶板大、小半圓粘,蝶板密封轉動軌跡的切線與閥座密封面形成一個θ1角和θ2角。使蝶閥啟閉時蝶板密封面漸出脫離和漸入壓緊。從而徹底消除了蝶閥啟閉時間蝶閥兩密封面之間的機械磨損和擦傷
本系列蝶閥從0°~90°開啟時,蝶板的密封面會在開啟的瞬間立即脫離閥座密封面,在其90°~0°關閉時的瞬間,其蝶板密封面才會接觸并壓緊閥座密封面。由圖C可見,由于θ1角和θ2角的形成,使蝶閥關閉時,其密封副兩密封面之間的密封比壓,由外加于閥桿的驅動力矩產生。不僅消除了常規偏心蝶閥中因彈性閥座彈性材料老化、冷流、彈性失效等因素造成的密封比壓降低和消失,而且可以通過外加驅動力矩的改變,實現對其密封比壓的任意調整,從而使三偏心密封蝶閥的密封性能改善,使使用壽命大大提高。

■閥體材料 碳鋼 (WCB、WCC、LCB) 鉻鉬鋼 (WC5、WC6、WC9) 合金鋼
不銹鋼 (CF3、CF8、CF3M、CF8M、ZG1Cr18Ni9Ti、ZG1Cr18Ni12Mo2Ti)
■內件材料 不銹鋼 (1Cr13、2Cr13、1Cr18Ni9、1Cr18Ni9Ti、1Cr18Ni12Mo2Ti、304、316、304L、
316L) 碳鋼 鉻鉬鋼 特殊鋼
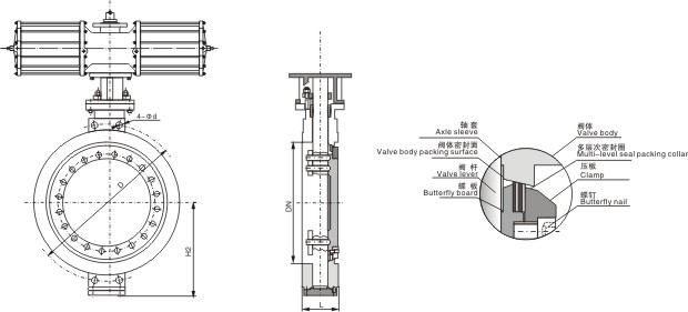
■連接形式 法蘭、對夾、對焊、凸耳對夾
■驅動方式 電動、 氣動、液動、電液聯動等
ZSHW氣動高性能蝶閥主要外形和連接連接尺寸(對夾式)


氣動蝶閥相關產品: