|
ZSCW氣動三偏心調節蝶閥,ZSRW、ZSCW氣動活塞調節蝶閥輸入控制信號(4-20mADC或1-5VDC)氣源即可控制運轉,結構簡單緊湊,加工方便,易制成大口徑,具有自清洗作用,阻力系數小,流通能力大。適用于懸浮顆粒的流體及濃、濁漿狀流體的調節。干凈介質,可選用閥板加軟密封(橡膠圈、四氟圈)來減少泄漏(可達0.01%),高溫高壓工況可選用三偏心硬密封閥體。訂貨時要予以注明即可。 |
|
ZSCW氣動三偏心調節蝶閥調節機構主要技術參數
|
公稱通徑 mm |
50 |
80 |
100 |
125 |
150 |
200 |
250 |
300 |
350 |
400 |
450 |
500 |
600 |
700 |
800 |
900 |
1000 |
|
額定流量系數Kv |
85 |
220 |
340 |
530 |
770 |
1360 |
2130 |
3060 |
4160 |
5450 |
6900 |
8500 |
12200 |
16600 |
21700 |
27540 |
34000 |
|
公稱壓力 MPa |
0.6 |
|
額定轉角 ° |
70 |
|
信號壓力 KPa |
20~100 |
|
流量特性 |
近似等百分比 |
|
介質溫度 ℃ |
-20~200(常溫) ; -40~450(中溫) ; -40~600(高溫) |
|
接管法蘭 |
按JB78-59對夾式法蘭連接 |
|
信號連接螺孔 |
M16×1.5 |
|
配用執行機構 |
薄膜式 |
ZMA-2 |
ZMA-3 |
ZMA-4 |
ZMA-5 |
|
|
活塞式 |
|
ZSC-45 |
|
閥體材質 |
ZG230-450;1Cr18Ni9; ZG1Cr18Ni9Ti、ZGOCr18Ni12Mo2Ti |
|
可配附件 |
手輪、定位器、空氣過濾減壓器等。 |
ZSCW氣動三偏心調節蝶閥執行機構主要技術參數
|
型 號 |
ZMA-2 |
ZMA-3 |
ZMA-4 |
ZMA-5 |
|
有效面積 cm2 |
280 |
400 |
630 |
1000 |
|
行 程 mm |
16 |
25 |
40 |
60 |
|
彈簧范圍 KPa |
20~100 ; 40~200 ; 20~60 ; 60~100 |
ZSCW氣動三偏心調節蝶閥執行機構主要技術參數
|
型 號 |
活塞直徑 mm |
有效面積 cm2 |
最大行程 mm |
最大操作壓力 KPa |
最大輸出力 N |
|
ZSC-45 |
250 |
484 |
60 |
500 |
21800 |
允許壓差 MPa
|
配用執行機構型號 |
ZMA-2 |
ZMA-3 |
ZMA-4 |
ZMA-5 |
ZSC-45 |
|
0° |
70° |
0° |
70° |
0° |
70° |
0° |
70° |
0° |
70° |
|
公稱通徑mm |
50 |
0.6 |
0.097 (0.22) |
|
|
|
|
|
|
|
|
|
80 |
0.6 |
0.038 (0.086) |
|
|
|
|
|
|
|
|
|
100 |
0.556 (0.6) |
0.0196 (0.0445) |
|
|
|
|
|
|
|
|
|
125 |
|
|
0.6 |
0.0250 (0.0542) |
|
|
|
|
|
|
|
150 |
|
|
0.444 (0.6) |
0.0150 (0.0314) |
|
|
|
|
|
|
|
200 |
|
|
0.185 (0.407) |
0.00587 (0.0129) |
|
|
|
|
|
|
|
250 |
|
|
|
|
0.331 (0.6) |
0.00845 (0.0175) |
|
|
|
|
|
300 |
|
|
|
|
0.181 (0.385) |
0.00461 (0.00983) |
|
|
|
|
|
350 |
|
|
|
|
0.133 (0.284) |
0.00292 (0.00622) |
|
|
|
|
|
400 |
|
|
|
|
|
|
0.216 (0.45) |
0.00485 (0.0101) |
|
|
|
450 |
|
|
|
|
|
|
0.171 (0.356) |
0.00341 (0.00741) |
|
|
|
500 |
|
|
|
|
|
|
0.139 (0.289) |
0.0025 (0.0052) |
|
|
|
600 |
|
|
|
|
|
|
|
|
0.6 |
0.019 |
|
700 |
|
|
|
|
|
|
|
|
0.6 |
0.0119 |
|
800 |
|
|
|
|
|
|
|
|
0.442 |
0.00795 |
|
900 |
|
|
|
|
|
|
|
|
0.339 |
0.00599 |
|
1000 |
|
|
|
|
|
|
|
|
0.236 |
0.00403 |
注:括號內數值為帶定位器的允許壓差。 ZSCW氣動三偏心調節蝶閥性能指標
|
執 行 機 構 |
薄膜式執行機構 |
活塞式執行機構 |
|
類 別 |
不帶定位器 |
帶定位器 |
帶定位器 |
|
彈簧范圍 KPa |
|
20~100 40~200 |
20~60 60~100 |
|
項 目 |
基 本 誤 差% |
±8 |
- |
±2.0 |
±2.0 |
|
回 差% |
6 |
- |
2.0 |
2.0 |
|
死 區% |
5 |
- |
0.8 |
0.8 |
|
始終點偏差% |
氣 開 |
始點 |
±4.0 |
±4.0 |
±2.0 |
± |
|
終點 |
±8 |
±8 |
|
氣 關 |
始點 |
±8 |
±8 |
|
終點 |
±4.0 |
±4.0 |
|
額定轉角偏差% |
±2.5 |
|
允許泄漏量1/h |
2×10-2×閥的額定容量 |
|
|
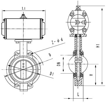
ZSCW氣動三偏心調節蝶閥 ZSCW氣動三偏心調節蝶閥外形尺寸
|
公稱通徑 |
D1 |
D2 |
L1 |
L2 |
n-d |
H |
H1 |
H2 |
D |
L3 |
法蘭端面距 |
|
50 |
110 |
|
92 |
200 |
4-14 |
637 |
582 |
382 |
280 |
278 |
60 |
|
80 |
150 |
125 |
92 |
200 |
4-18 |
644 |
582 |
382 |
280 |
278 |
|
100 |
175 |
145 |
102 |
210 |
654 |
280 |
278 |
|
125 |
200 |
175 |
117 |
234 |
8-18 |
723 |
636 |
436 |
325 |
278 |
|
150 |
225 |
200 |
130 |
247 |
736 |
325 |
278 |
|
200 |
280 |
255 |
172 |
287 |
763 |
325 |
278 |
70 |
|
250 |
335 |
310 |
197 |
327 |
12-18 |
1008 |
853 |
615 |
410 |
376 |
|
300 |
395 |
362 |
227 |
351 |
12-23 |
1034 |
410 |
376 |
80 |
|
350 |
445 |
412 |
252 |
376 |
1059 |
410 |
376 |
|
400 |
495 |
462 |
296 |
432 |
16-23 |
1238 |
1007 |
720 |
495 |
376 |
100 |
|
450 |
550 |
518 |
321 |
459 |
1266 |
495 |
376 |
|
500 |
600 |
568 |
346 |
484 |
1291 |
495 |
376 |
|
600 |
705 |
755 |
480 |
565 |
20-25 |
1486 |
1109 |
796 |
|
180 |
150 |
|
700 |
810 |
860 |
530 |
615 |
24-25 |
1539 |
|
180 |
|
800 |
920 |
975 |
595 |
675 |
24-30 |
1596 |
|
180 |
200 |
|
900 |
1020 |
1075 |
685 |
770 |
24-30 |
1661 |
1124 |
|
180 |
|
1000 |
1120 |
1175 |
735 |
810 |
28-30 |
1711 |
1124 |
|
180 |
200 |
 ZSRW、ZSCW氣動活塞調節蝶閥
|
公稱通徑DN |
結構長度 (標準值) |
連接尺寸 |
|
L |
H |
H1 |
PN0.6MPa |
PN1.0MPa |
|
毫米 |
英寸 |
法蘭式 |
對夾式 |
D |
D1 |
Z-d |
D |
D2 |
Z-d |
|
50 |
2 |
108 |
43 |
100 |
400 |
140 |
110 |
4--14 |
165 |
125 |
4--18 |
|
65 |
21/2 |
112 |
46 |
115 |
420 |
160 |
130 |
4--14 |
185 |
145 |
4--18 |
|
80 |
3 |
114 |
49 |
120 |
138 |
190 |
150 |
4--18 |
200 |
160 |
8-18 |
|
100 |
4 |
127 |
56 |
130 |
524 |
210 |
170 |
4--18 |
220 |
180 |
8-18 |
|
125 |
5 |
140 |
64 |
150 |
570 |
240 |
200 |
8-18 |
250 |
210 |
8-18 |
|
150 |
6 |
140 |
70 |
170 |
743 |
265 |
225 |
8-18 |
285 |
240 |
8-22 |
|
200 |
8 |
152 |
76 |
200 |
767 |
320 |
280 |
8-18 |
340 |
295 |
8-22 |
|
250 |
10 |
165 |
76 |
235 |
790 |
375 |
335 |
12-18 |
395 |
350 |
12-22 |
|
300 |
12 |
178 |
83 |
300 |
890 |
440 |
395 |
12-22 |
445 |
400 |
12-22 |
|
350 |
14 |
190 |
92 |
325 |
954 |
490 |
445 |
16-22 |
505 |
460 |
16-22 |
|
400 |
16 |
216 |
102 |
355 |
1070 |
540 |
495 |
16-22 |
565 |
515 |
16-26 |
|
450 |
18 |
222 |
114 |
390 |
1140 |
595 |
550 |
20-22 |
615 |
565 |
20-26 |
|
500 |
20 |
229 |
127 |
420 |
1200 |
645 |
600 |
20-26 |
670 |
620 |
20-26 |
|
600 |
24 |
267 |
154 |
490 |
1380 |
755 |
705 |
24--26 |
780 |
725 |
20-30 |
|
700 |
28 |
292 |
165 |
550 |
1580 |
860 |
810 |
24--30 |
895 |
840 |
24--30 |
|
800 |
32 |
318 |
190 |
640 |
1760 |
975 |
920 |
24--30 |
1015 |
950 |
24--33 |
|
900 |
36 |
330 |
203 |
710 |
|
1075 |
1020 |
24--30 |
1115 |
1050 |
28-33 |
|
1000 |
40 |
410 |
216 |
770 |
|
1175 |
1120 |
28--30 |
1230 |
1160 |
28-36 |
|
1200 |
48 |
470 |
254 |
890 |
|
1405 |
1340 |
32-33 |
1450 |
1380 |
32-39 |
氣動調節蝶閥主要零件材料及推薦使用溫度范圍
|
零件名稱 |
材 料 |
溫度范圍℃ |
|
閥體 閥板 |
ZG230-450 |
-40-450 |
|
ZG1Cr18Ni9Ti |
-250-550 |
|
ZG0Cr18Ni12Mo2Ti |
|
注:此表為各種材料的極限使用溫度,在實際選用中應根據其產品的介質溫度范圍,確定材料的最低,最高使用溫度,其最低使用溫度不得低于介質溫度范圍下限,最高使用溫度不得高于介質溫度范圍的上限。
|
|
ZSCW氣動三偏心調節蝶閥訂貨須知 訂貨時請填寫《規格書》或注明以下內容: 一、若訂貨前還未選定型號,請向我們提供您的使用參數:1.公稱通徑、額定流量系數KV, 2.流體性質(包括公稱壓力、溫度、粘度或酸堿性),3.信號壓力、彈簧范圍,4.流量特性, 5.閥的開關型式,6.閥體、閥芯材料,7.是否帶附件,說明附件型號。以便我們的為您正確選型。 二、若已經由設計單位選定我公司的產品型號,請按型號直接向我司銷售部訂購; 三、當使用的場合非常重要或管路比較復雜時,請您盡量提供設計圖紙和詳細參數,由我們的專家為您審核把關。
氣動蝶閥相關產品:
|